

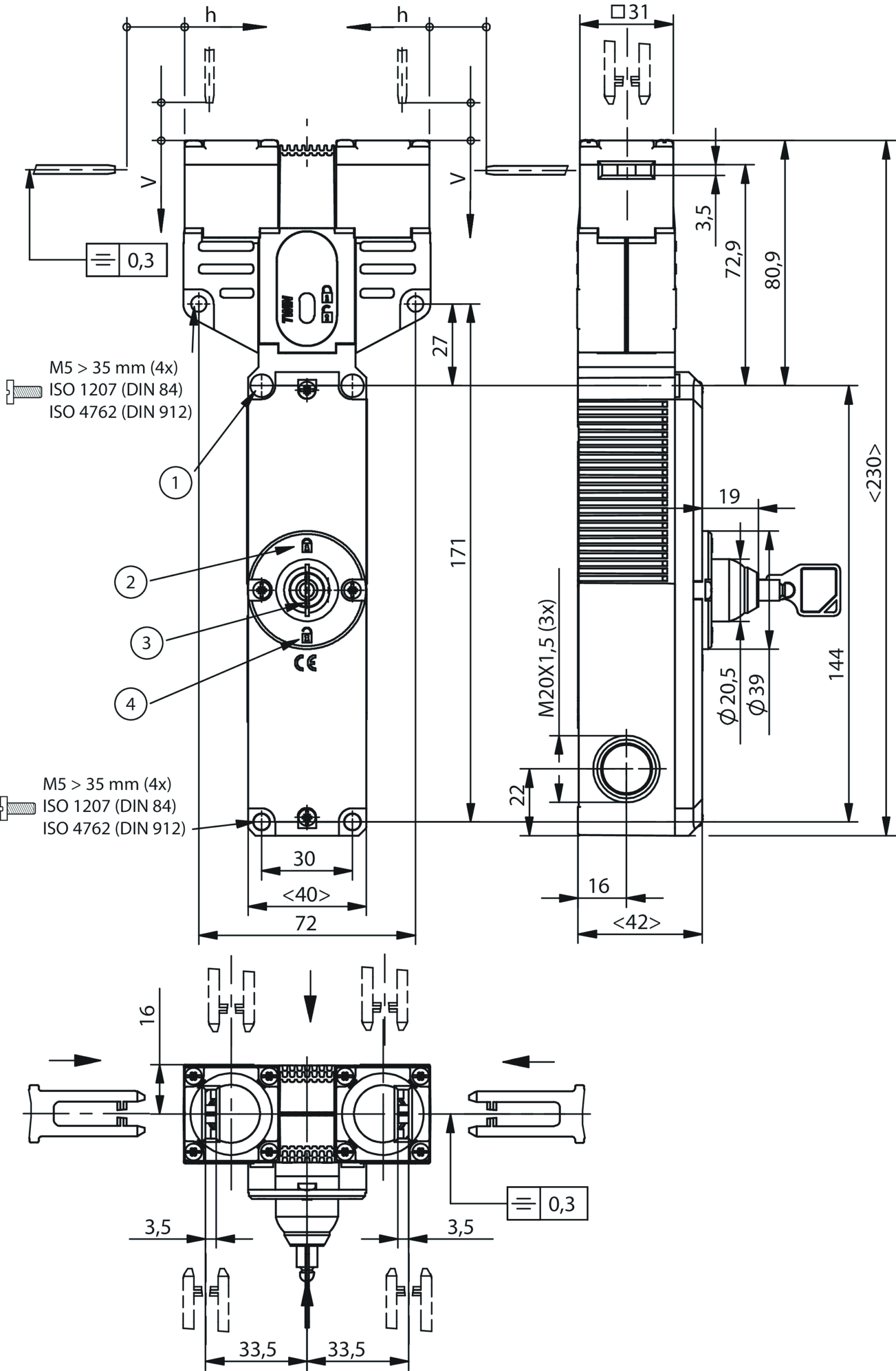
Función TWIN (dos cabezales de accionamiento)
3 entradas de cable M20 x 1,5
Contactos para la posición de la puerta
Desbloqueo auxiliar
Principio de corriente de circuito cerrado
Horizontal y vertical
Ajustable en pasos de 90°
Mayor recorrido de aproximación horizontal
Si se requiere mayor holgura con la puerta cerrada, se dispone de un actuador con recorrido de aproximación. Con este actuador, la puerta puede moverse ligeramente en la dirección de accionamiento al cerrarse. Esto es importante, por ejemplo, si las puertas de seguridad tienen un tope de goma. Al usar un actuador con recorrido de aproximación, se puede reducir la presión continua de la goma comprimida. De esta manera, se reduce la carga sobre el cabezal del interruptor y el mecanismo de la puerta.
Principio de bloqueo de la puerta
Desbloqueo por fuerza: En una puerta con bloqueo basado en el principio de corriente de circuito cerrado, la puerta se bloquea por la fuerza del resorte hasta que se alimenta el solenoide de bloqueo. El desbloqueo se realiza por la fuerza del solenoide. También se utiliza el término bloqueo mecánico de la puerta.
Elemento de conmutación
4141
Contacto de conmutación de acción lenta
Contactos para el bloqueo: 2 contactos de accionamiento positivo
Contactos para la monitorización de la puerta: 2 contactos de accionamiento positivo
Solicite información, Cotización.
>>>CAT_Safety-Switches-with-Plastic-Housing_EN_11_03-18_096956
| Weight | 0726 kg |
|---|