Q25AW3FF100, BANNER, Serie EZ-BEAM Q25: Campo fijo, Range: 100 mm; Input: 20-250Vac
18 de diciembre de 2025TT570N16KOF, INFINEON Technologies, SCR Modulo Tiristor, 1600V, 900A, DUAL, Control de Fase
18 de diciembre de 2025
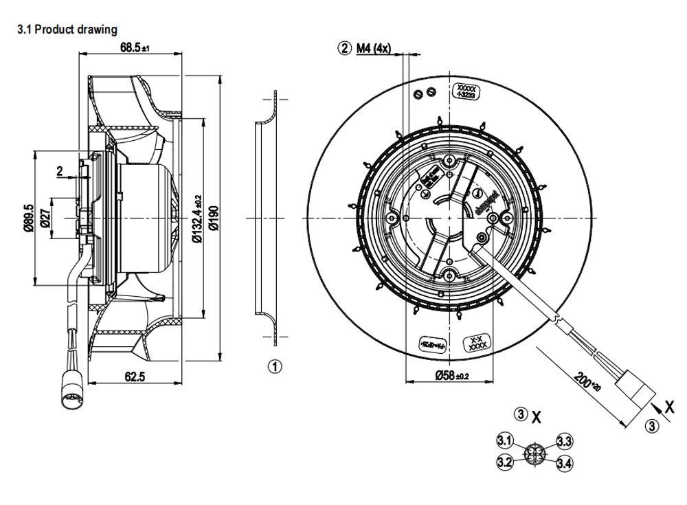
R3G190-RB01-08, Ebm Papst, Ventilador centrífugo de gabinete de 230 VCA, 38 W, 50/60Hz, 190 mm, IP54, 2370 rpm.
Description
Nominal data
Brand: ebmpapst
Part No.:: R3G190-RB01-08
Fan Type: Centrifugal Fan
Rated Voltage(V):230
Size(mm):190
Input Power(W):38
Speed(rpm):2370
Noise(db):
Solicite Cotización